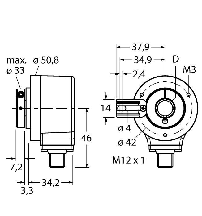
Product  STM-AL-R10

Incremental Encoder

Industrial Line

Order number: 100010440
    • Flange with torque stop, Ø 50.8 mm
    • Hollow shaft, Ø 15 mm
    • Optical measuring principle
    • Shaft material: stainless steel
    • Protection class IP67 on housing and shaft side
    • ‐40…+85 °C
    • Max. 6000 rpm (continuous operation 3000 rpm)
    • 5…30 VDC
    • RS422/TTL invertible
    • Pulse frequency max. 300 kHz
    • M12 × 1 male connector, 8-pin
    • 1000 pulses per revolution
#

General data

EAN 4047101551372
eCl@ss-Code (V5.1.4): 27270502 -/- Encoder, incremental
Customs tariff number 90314990000
Country of origin DE
Weight 400 g

Technical Data

Housing material Die-cast zinc
Ambient temperature -40…+85 °C
Protection class IP67
to top