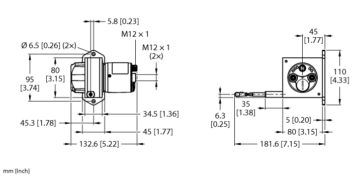
Product DT06-12S-A-10/TXL
Draw-Wire
Order number: 100049366- Highly dynamic draw-wire sensor
- With permanently installed Profinet encoder REM-E-105T10C-9E43B-B3M12
- Measuring principle: optical
- Sensor protection class IP65
- ‐20…+85 °C
- 10…30 VDC
- PROFINET IO, RT and IRT up to 250 µs
- Encoder profile version 4.2
- Media Redundancy Protocol (MRP)
- Link Layer Discovery Protocol (LLDP)
- Simple Network Management Protocol (SNMP)
- Fast Startup (FSU)
- M12 × 3 connector, 4-pin

General data
| EAN | 4047101659047 |
| eCl@ss-Code (V5.1.4): | 27270790 -/- Sensor for length, path (not classified) |
| Customs tariff number | 90318020000 |
| Country of origin | DE |
| Weight | 750 g |

