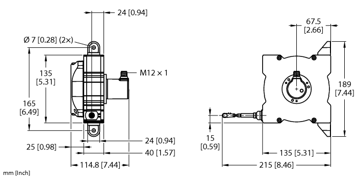
Product REM-98B8T-7AAL-H1151
Draw-Wire
Order number: 100049439- Highly dynamic draw-wire sensor
- With permanently installed IO-Link encoder REM-E-195T10C-IOL32B-H1141
- Measuring principle: magnetic
- Sensor protection class IP65
- ‐20…+85 °C
- 18…30 VDC
- M12 × 1 connector, 4-pin

General data
| EAN | 4047101659771 |
| eCl@ss-Code (V5.1.4): | 27270790 -/- Sensor for length, path (not classified) |
| Customs tariff number | 90318020000 |
| Country of origin | DE |
| Weight | 2000 g |
Technical Data
| Operating voltage | 18…30 VDC |
| Communication protocol | IO-Link |
| Electrical connection | Connector, M12 × 1 |
| Housing material | Titanium anodized aluminium |
| Ambient temperature | -20…+85 °C |
| Protection class | IP65 |

