Product UHF-SYS-TUNNEL-ETSI
UHF RFID Tunnel Solution
Order number: 100051344- UHF RFID TUNNEL for (bulk) detection of objects on the conveyor belt
- Pre-installed TVSnode software for commissioning and communication via integrated REST API interface
- Max. conveyor speed < 1 m/s
- Recommended distance between objects: > 1.3 m
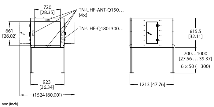
- Size of the tunnel opening: 720 × 660 mm
- Device only suitable for operation in the European Union (EU), Great Britain (GBR), India (IND), Türkiye (TUR) and South Africa (ZAF) at 865…868 MHz

General data
| EAN | 4047101685213 |
| eCl@ss-Code (V5.1.4): | 27280401 -/- Identification RFID |
| Customs tariff number | 84719000000 |
| Country of origin | DE |
| Weight | 100000 g |
Technical Data
| Technology | UHF RFID |
| Region (UHF) | Europe, India, Turkey, South Africa (865…868 MHz) |
| Radio communication and protocol standards | ISO 18000-63, EPCglobal Gen 2 |
| Network protocol | TCP/IP, REST API |
| Housing material | Metal, Yellow |
| Ambient temperature | -30…+50 °C |
| Protection class | IP67 |

