Product INU.P.SAFETY-ES_SSA_EB.EN
Safety Technology
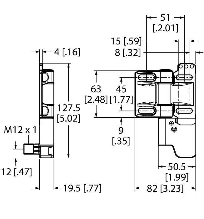
Hinge
Order number: 3025584Alternative order number : 25584
- Door hinge switch
- Fulfills IEC 60947-5-1
- Safety interlock switch integrated in a very robust PBT housing
- Switchpoint is repositionable
- Tamper-proof
- Switchpoint is adjustable from 0° to 270° degrees
- Switch can be turned and operated from the opposite side
- Zinc die-cast hinge supports a load of 1200 N (120 kg)
- Right hinge
- Angled connector
- 2 safety outputs, NC
- 1 auxiliary contact, NO
- SIL 3 (IEC 61508)
- PL e (ISO 13849-1)

General data
| EAN | 662488255848 |
| Customs tariff number | 85365019000 |
| Country of origin | DE |
| Weight | 389 g |

