Product  QS30LDL

Flow Monitoring

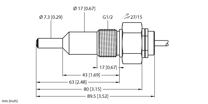
Immersion Sensor without Integrated Processor

Order number: 6870339
    • Ex sensor for liquid media
    • Calorimetric functionality
    • Adjustment via Ex signal processor
    • Status indicated via LED chain on signal processor
    • Sensor length 65 mm
    • Acceptance test certificate 3.1 (EN 10204)
    • Cable device
    • 4-wire connection to an Ex0 processor
    • ATEX category II 1/2 G, Ex-zone 0
    • ATEX category II 1 D, Ex zone 20
#

General data

EAN 4047101173031
eCl@ss-Code (V5.1.4): 27273190 -/- Flow meter (not classified)
Customs tariff number 90261029000
Country of origin DE
Weight 288 g

Technical Data

Design Immersion
Electrical connection Cable
Cable length 2.0  m
Housing material Stainless steel, 1.4571 (AISI 316Ti)
Protection class IP67
Approvals ATEX II 1 G, ATEX II 2 G, ATEX II 1 D

Please confirm the format

Mode of dispatch

Format s.o.:

to top