Product Q253EQ3
Flow Monitoring
Immersion Sensor without Integrated Processor
Order number: 6870375- Ex sensor for liquid media
- Calorimetric functionality
- Adjustment via Ex signal processor
- Status indicated via LED chain on signal processor
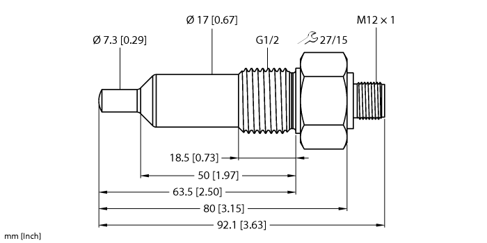
- Sensor length 65 mm
- Connector device, M12 × 1
- 4-wire connection to an Ex0 processor
- ATEX category II 1/2 G, Ex-zone 0
- ATEX category II 1 D, Ex zone 20

General data
| EAN | 4047101173390 |
| eCl@ss-Code (V5.1.4): | 27273190 -/- Flow meter (not classified) |
| Customs tariff number | 90261029000 |
| Country of origin | DE |
| Weight | 208 g |
Technical Data
| Design | Immersion |
| Electrical connection | Connector, M12 × 1 |
| Housing material | Stainless steel, 1.4571 (AISI 316Ti) |
| Protection class | IP67 |
| Approvals | ATEX II 1 G, ATEX II 2 G, ATEX II 1 D |
Mounting accessories
|
PT40R-1004-U1-H1143 | 6836476 |
|
VS2KRN5VQ | 3063101 |
|
PS001V-505-LI2UPN8X-H1141 | 6832853 |

