Product Q45AD9DL
Capacitive Sensor
Order number: 100027492- Detection of metallic and non-metallic objects
- Detection of liquids, powders and solid materials
- All functions can be parameterized via IO-Link
- Three different types of object teaching (one value, two value, dynamic) possible
- Available counting function whose content can be called up via IO-Link
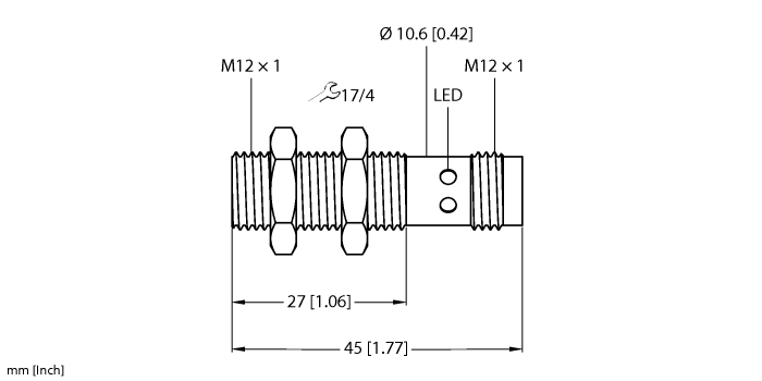
- Switching status indicated by four LEDs arranged all around the device
- M12 × 1 male connector, 4-pin
- Robust, compact housing made of nickel-plated brass
- M12 threaded design, flush, switching distance = 4 mm

General data
| EAN | 4047101539042 |
| eCl@ss-Code (V5.1.4): | 27270102 -/- Capacitive proximity switch |
| Customs tariff number | 85365019000 |
| Country of origin | DE |
| Weight | 23 g |
Technical Data
| Design | Threaded barrel |
| Construction size | M12 x 1 |
| Operating voltage | 18…30 VDC |
| Output function | NO/NC programmable, PNP/NPN |
| Communication protocol | IO-Link |
| Electrical connection | Connector, M12 × 1 |
| Housing material | Metal, Nickel-plated brass |
| Ambient temperature | -25…+70 °C |
| Protection class | IP67 |
Data Sheets
| German | 1080 KB |
| English | 1080 KB |
| French | 1082 KB |
| Spanish | 1079 KB |
| Czech | 1081 KB |
| Dutch | 1081 KB |
| Romanian | 1080 KB |
| Russian | 1086 KB |
| Polish | 1086 KB |
| Turkish | 1081 KB |
Approval/Declaration
CAD File
Configuration File
Configuration Software
Instructions for Use
Manual
| IO-Link Devices — Commissioning | 11322 KB |
| IO-Link — Simple, Consistent, Efficient | 1266 KB |
| IO-Link Parameters Manual | 375 KB |
Product Overview
Mounting accessories
|
INS.P.IO_SYSTEM-EXCOM_PSM24_N_1.32 | 100032386 |
|
PS016V-511-2UPN8X-H1141 | 6832935 |
|
FS46PS-2/M16 | U2-29262 |
Functional accessories
|
S18SP6R
Photoelectric sensor, series S18, sensing mode: opposed mode sensor, threaded barrel M18 x 1 housing with 2 m cable, 10…30 VDC supply voltage, pnp output |
3029412 |

