Product  SLSE30-750Q5

FOUNDATION fieldbus Flanschanschluss

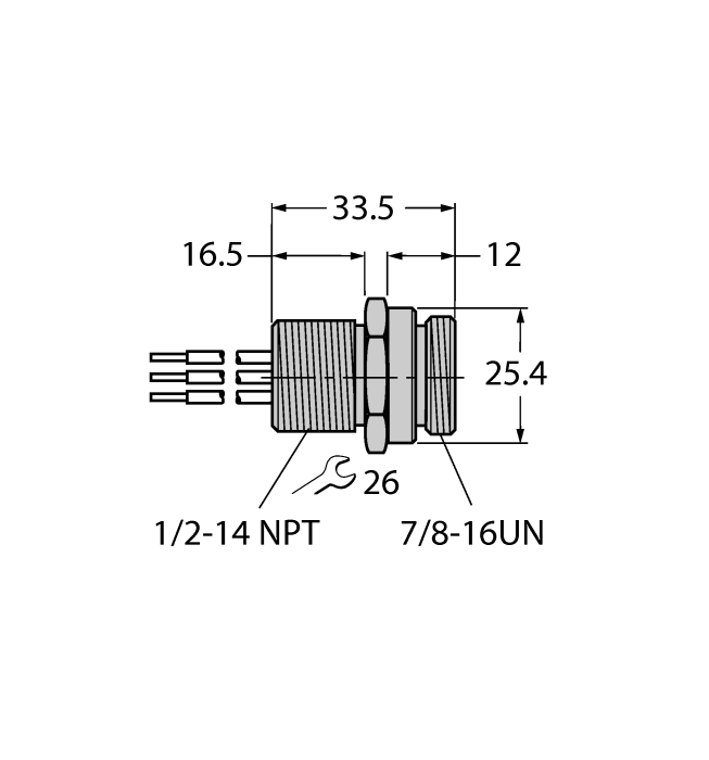
Flange

Order number: U7834
    • 7/8" minifast Flanschstecker
    • 1/2″-14 NPT screw-in thread
    • Stainless steel flange housing
    • 4-pin, wire length 0.3 m
    • For use in FOUNDATION fieldbus applications
#

General data

EAN 4047101032932
eCl@ss-Code (V5.1.4): 27250314 -/- Connection technology
Customs tariff number 85366990990
Country of origin MX
Weight 70 g

Technical Data

Ambient temperature -40…+105 °C
to top