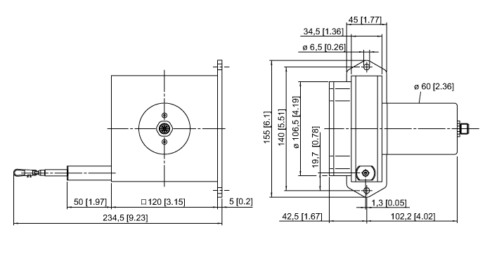
Product  QS30LLPQPMA

Draw-Wire

Order number: 1544549
    • Measuring range up to 6000mm
    • M12 connector
    • Protection class: IP65 (Encoder)
    • Analog output, 4…20 mA
    • Supply voltage 12…30 VDC
#

General data

EAN 4047101256949
eCl@ss-Code (V5.1.4): 27270790 -/- Sensor for length, path (not classified)
Customs tariff number 90318020000
Country of origin DE
Weight 2215 g

Technical Data

Design Draw Wire
Operating voltage 12…30 VDC
Output function Analog output
Current output 4…20 mA
Electrical connection Connector, M12 × 1
Housing material Titanium anodized aluminium
Ambient temperature -20…+60 °C
Protection class IP65
to top