Product  LS2TP30-450Q88

Pressure Transmitter

With Current Output (2-Wire)

Order number: 100003587
    • For mobile hydraulic applications
    • Fully welded metal measuring cell
    • Sealless
    • With pressure tip orifice
    • Compact and robust design
    • Excellent EMC properties
    • Excellent accuracy and long-term stability
    • Kfz-Norm ISO 16750
    • Pressure range 0…600 bar rel.
    • 7.5…33 VDC
    • Analog output 4…20 mA
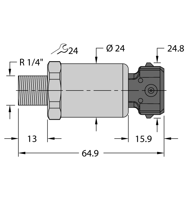
    • Process connection R 1/4" male thread
    • Plug-in device, AMP JPT
#

General data

EAN 4047101554090
eCl@ss-Code (V5.1.4): 27200614 -/- Piezoresistive sensor (absolute and relative pressure)
Customs tariff number 90262020000
Country of origin CH
Weight 90 g

Technical Data

Design Without display
Operating voltage 7.5…33 VDC
Output function Analog output current
Electrical connection Connector, AMP JPT
Housing material Stainless-steel/Plastic, 1.4404 (AISI 316L)/polyarylamide 50 % GF UL 94 V-0
Ambient temperature -40…+100 °C
Protection class IP67
to top