Product  WLS28-2CW1130DSQ

Flow Monitoring

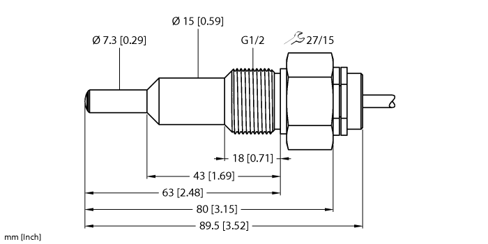
Immersion Sensor without Integrated Processor

Order number: 6870346
    • Ex sensor for gaseous media
    • Calorimetric functionality
    • Adjustment via Ex signal processor
    • Status indicated via LED chain on signal processor
    • Cable device
    • 4-wire connection to an Ex0 processor
    • ATEX category II 1/2 G, Ex-zone 0
    • ATEX category II 1 D, Ex zone 20
#

General data

EAN 4047101173109
eCl@ss-Code (V5.1.4): 27273190 -/- Flow meter (not classified)
Customs tariff number 90268020000
Country of origin DE
Weight 287 g

Technical Data

Electrical connection Cable
Cable length 2.0  m
Housing material Stainless steel, 1.4571 (AISI 316Ti)
Protection class IP67
Approvals ATEX II 1 G, ATEX II 2 G, ATEX II 1 D

Mounting accessories

100011551
6625453
6625316

Connectivity accessories

7030632
6634164

Please confirm the format

Mode of dispatch

Format s.o.:

to top