Product K50ANT2GREQ
Draw-Wire
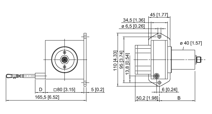
Order number: 1544542- Measuring range up to 1000 mm
- M12 connector
- Measuring principle: potentiometer
- Protection class: IP65 (Encoder)
- Potentiometric output 1k Ohm
- Supply voltage max. 30 VDC

General data
| EAN | 4047101256871 |
| eCl@ss-Code (V5.1.4): | 27270790 -/- Sensor for length, path (not classified) |
| Customs tariff number | 90318020000 |
| Country of origin | DE |
| Weight | 950 g |
Technical Data
| Output function | Potentiometer |
| Electrical connection | Connector, M12 × 1 |
| Housing material | Titanium anodized aluminium |
| Ambient temperature | -20…+85 °C |
| Protection class | IP65 |
Mounting accessories
|
INS.P.IO_SYSTEM-EXCOM_PSM24_N_1.32 | 100032386 |
|
FS46PS-2/M16 | U2-29262 |
Connectivity accessories
|
TI-BL20-E-EN-S-6
BL ident interface set |
7030632 |
|
RSC4.4T-15/TXG | 6634164 |

