Product SLLCR23-1750-S
Flow Monitoring
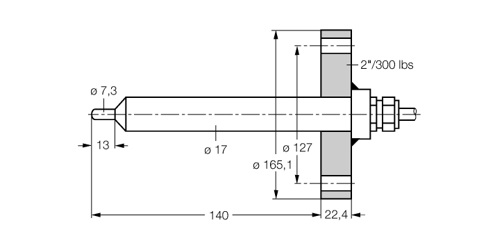
Immersion Sensor without Integrated Processor
Order number: 6872052- Ex sensor for liquid media
- Calorimetric functionality
- Adjustment via Ex signal processor
- Status displayed via signal processor
- Sensor length 140 mm
- ANSI flange 2“ 300 Ibs
- PVDF cable gland
- Ölflex-FD 855 P connection cable
- Intrinsically safe Ex ib IIC T6…T3, for use in Zone 1
- Cable device
- 4-wire connection to an Ex signal processor
- ATEX category II 2 G, Ex zone 1
- ATEX category II 2 D, Ex zone 21

General data
| EAN | 4047101176537 |
| eCl@ss-Code (V5.1.4): | 27273190 -/- Flow meter (not classified) |
| Customs tariff number | 90261029000 |
| Country of origin | DE |
| Weight | 5000 g |
Technical Data
| Design | Immersion |
| Electrical connection | Cable |
| Cable length | 6.0 m |
| Housing material | Stainless steel, 1.4571 (AISI 316Ti) |
| Protection class | IP67 |
Mounting accessories
|
BI5-S18-VP4X/S97
Cylindrical, threaded barrel, 18 mm, plastic |
1513420 |
|
SLLR40-560P8 | 3089095 |
|
NI100U-K90SR-VP4X2
Rectangular, plastic |
1625834 |
|
BI1.5-EG08WD-AP6X-H1341
Cylindrical, threaded barrel, 8 mm, stainless steel |
4602210 |
Connectivity accessories
|
SESP4SL | 6934784 |
|
EA5R750XKQ | 3015157 |
|
LEDUV395A70SSD5-PQ | 3025316 |
|
GS60IL4Q | 3815793 |

