Product  Q2XRNLPF-Q3

Absolute Rotary Encoder - Singleturn

Industrial Line

Order number: 100046572
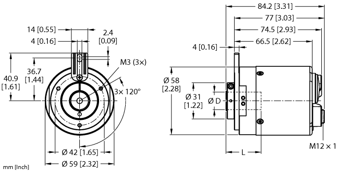
    • Flange with stator coupling, Ø 63 mm
    • Hollow shaft, Ø 15 mm
    • Optical measuring principle
    • Shaft, stainless steel
    • Protection class IP67 on housing side
    • -40…+80 °C
    • Max. 6000 rpm
    • 10…30 VDC
    • Profinet IO, RT and IRT up to 250 µs
    • Encoder profile version 4.2
    • Media Redundancy Protocol (MRP)
    • Link Layer Discovery Protocol (LLDP)
    • Simple Network Management Protocol (SNMP)
    • Fast Startup (FSU)
    • M12 × 3 connector, 4-pin
    • Singleturn resolution scalable up to 19 bit, default 13 bit
#

General data

EAN 4047101629576
eCl@ss-Code (V5.1.4): 27270501 -/- Encoder, absolute
Customs tariff number 90314990000
Country of origin DE
Weight 430 g

Technical Data

Operating voltage 10…30 VDC
Communication protocol PROFINET
Electrical connection Connector, 3 x M12
Housing material Aluminium
Ambient temperature -40…+80 °C
Protection class IP67

Please confirm the format

Mode of dispatch

Format s.o.:

to top