Product WKC4.4T-2/TXO
Accessories
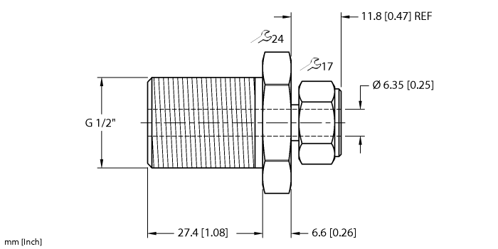
Compression Fitting
For Temperature Sensors
Order number: 100027547- Compression fitting for direct mounting of temperature sensors in the TP product series
- Stainless steel
- Metal compression fitting
- For probe with 6.35-mm diameter
- G1/2″ process connection, male thread

General data
| EAN | 4047101539134 |
| eCl@ss-Code (V5.1.4): | 27200291 -/- Messgerät, Temperatur (Teile) |
| Customs tariff number | 73072910900 |
| Country of origin | IT |
| Weight | 92 g |
Mounting accessories
Connectivity accessories
|
TCG20-CC
Replacement connector for CAN interface. |
100002936 |

