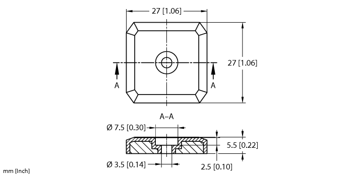
Product  RSSD-4422-90M

HF Tag

Order number: 100033127
    • Mobile tag
    • Read/write
    • This tag can be mounted directly on metal
    • EEPROM, memory 320 byte
    • For direct mounting on metal
#

General data

EAN 4047101583229
eCl@ss-Code (V5.1.4): 27280401 -/- Identification RFID
Customs tariff number 85235110000
Country of origin FI
Weight 4.3 g
to top