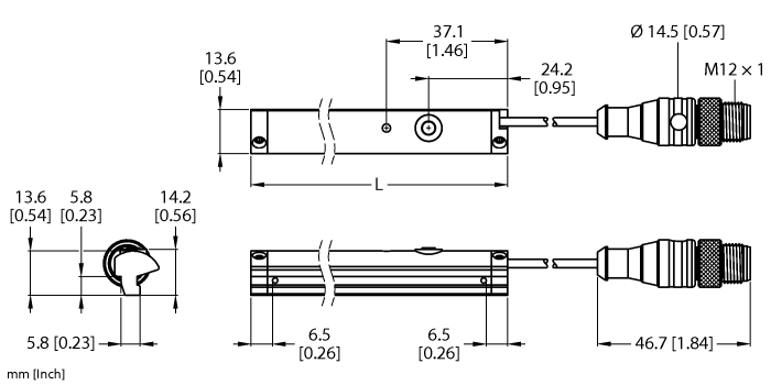
Product  PT15PSIVG-1014-U1-H1143/X

Magnetic Inductive Linear Position Sensor

For Analog Monitoring of Pneumatic Cylinders

Order number: 100034311
    • Plastic, PA66‐GF25
    • For direct mounting on pneumatic T-groove cylinders
    • Measuring range: 192 mm
    • 4-wire, 15…30 VDC
    • IO-Link 1.1
    • COM2
    • Teachable via IO-Link or button
    • Cable with M12 × 1 male connector
#

General data

EAN 4047101586343
eCl@ss-Code (V5.1.4): 27270104 -/- Magnetic inductive proximity switch
Customs tariff number 85365019000
Country of origin DE
Weight 118 g

Technical Data

Design Rectangular
Operating voltage 15…30 VDC
Communication protocol IO-Link
Electrical connection Cable with connector, M12 × 1
Cable length 0.30  m
Housing material Plastic, PA66-GF25
Ambient temperature -20…+70 °C
Protection class IP67

Please confirm the format

Mode of dispatch

Format s.o.:

to top