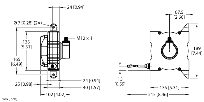
Product  WSSW-WKSW451-0.3M

Draw-Wire

Order number: 100049391
    • Draw-wire sensor for large measuring lengths
    • With permanently installed incremental encoder
    • Measuring principle: optical
    • Sensor protection class IP65
    • ‐20…+85 °C
    • 10…30 VDC
    • Push-pull/HTL with inversion
    • Pulse frequency max. 300 kHz
    • M12 × 1 connector, 8-pin
#

General data

EAN 4047101659290
eCl@ss-Code (V5.1.4): 27270502 -/- Encoder, incremental
Customs tariff number 90318020000
Country of origin DE
Weight 2000 g
to top