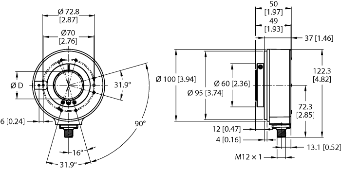
Product RSCV4T-10/TFW
Incremental Encoder
Industrial Line
Order number: 100011483- Flange without mounting element, Ø 100 mm
- Hollow shaft, Ø 42 mm
- Optical measuring principle
- Shaft material: stainless steel
- Protection class IP65 on housing and shaft side
- ‐40 … +80 °C
- Max. 6000 rpm (at 60 °C: 2500 rpm)
- 10…30 VDC
- Push-pull/HTL invertible
- Pulse frequency max. 300 kHz
- M12 × 1 male connector, 8-pin
- 1000 pulses per revolution

General data
| EAN | 4047101547122 |
| eCl@ss-Code (V5.1.4): | 27270502 -/- Encoder, incremental |
| Customs tariff number | 90314990000 |
| Country of origin | DE |
| Weight | 700 g |
Mounting accessories
|
PS01VR-501-2UP8X-H1141 | 6831832 |

