Product MNC.P.RFID-RFID_SYSTEM_CANOPEN.DE
Draw-Wire
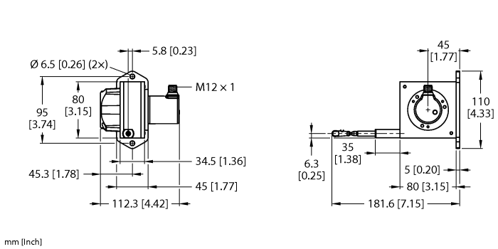
Order number: 100049321- Highly dynamic draw-wire sensor
- With permanently installed analog encoder from the REM-116 product series
- Measuring principle: magnetic
- Measuring range can be scaled via teach inputs
- Teach point 1: Ub to pin 4 for > 1 s
- Teach point 2: Ub to pin 5 for > 1 s
- Sensor protection class IP65
- ‐20…+85 °C
- 10…30 VDC
- Analog output, 4…20 mA
- M12 × 1 connector, 5-pin

General data
| EAN | 4047101658590 |
| eCl@ss-Code (V5.1.4): | 27270790 -/- Sensor for length, path (not classified) |
| Customs tariff number | 90318020000 |
| Country of origin | DE |
| Weight | 978 g |

