Product  MNS.P.INTERFACE-IM33.EN

Radio Transmission System

Base Unit for Serial Sensors

Node with Integrated Sensor

Order number: 3805966

Alternative order number : 805966

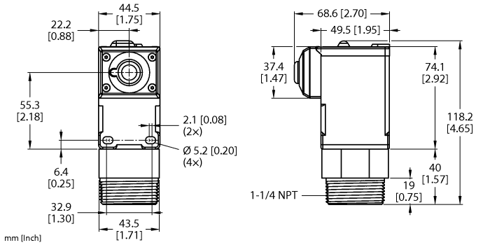
    • Protection class IP67
    • Mechanical screw-in thread, 1 ¼" NPT
    • Integrated ultrasonic scanner, frequency 114 kHz, range 3 m and multi-color display lights
    • 2.4 GHZ frequency band
    • Frequency hopping FHSS
    • Time division multiplex access - TDMA
    • Operating voltage: 3.6…5.5 VDC
    • Current consumption: ≤ 100 µA
    • Supply via 2x 3.6 V Li-ion AA batteries, supplied with the device
    • FCC-ID UE300DX80-2400 This device complies with FCC para. 15, sub para. C, 15.247 ETSI/EN: In compliance with EN 300 328: V1.7.1 (2006‐05)IC: 7044A‐DX8024
    • Radiation protection 10 V/m for 80-2700 MHz acc. to EN 61000-6-2
#

General data

EAN 662488045500
eCl@ss-Code (V5.1.4): 27250312 -/- Communication interface, active
Customs tariff number 85176200000
Country of origin US
Weight 370 g

Product Flyer

Product Overview

to top