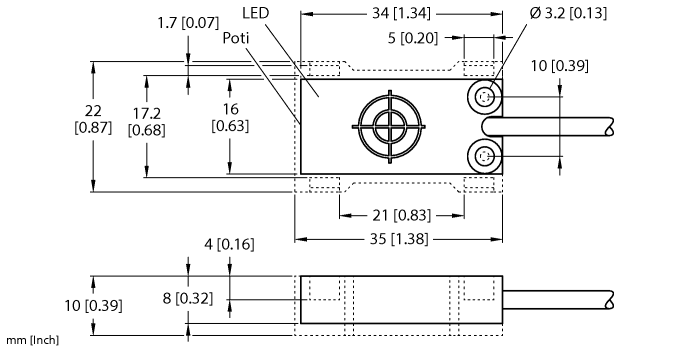
Product  THW-6-G1/2-TI-L050

Capacitive Sensor

With Potentiometer

Order number: 100016729
    • Rectangular, height 8mm
    • Plastic, PP
    • Mounting frame, PUR
    • Fine adjustment via potentiometer
    • DC 3-wire, 12…30 VDC
    • NO contact, NPN output
    • Cable connection
#

General data

EAN 4047101520620
eCl@ss-Code (V5.1.4): 27270102 -/- Capacitive proximity switch
Customs tariff number 85365019000
Country of origin DE
Weight 36 g

Technical Data

Mounting conditions Flush
Cable length 2.0  m
Construction size 34 x 16 x 8 mm
Housing material Plastic, PP
Ambient temperature -30…+70 °C
Protection class IP65

Please confirm the format

Mode of dispatch

Format s.o.:

to top