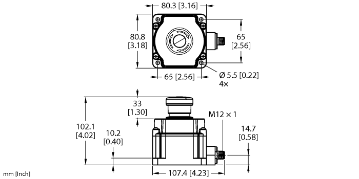
Product TL50CGRAOSQ
Emergency Shutdown
E-stop Button
Illuminated
Order number: 3030028Alternative order number : 30028
- Protection class IP65
- Compatible with Siemens ET 200pro PROFIsafe gateway
- LED yellow/red (flashing)
- 2 safety outputs (NC, potential-free)
- M12 × 1 male connector, 5-pin

Connectivity accessories
|
TI-BL20-E-EN-S-6
BL ident interface set |
7030632 |
|
RSC4.4T-15/TXG | 6634164 |

